ZHE JIANG YIFAN GEAR BOX GROUP CO., LTD
ZLYJ/ZSYJ single screw extruder gearbox series
- JHM, ZLYJ, ZSYJ series reducer is designed for plastic screw extruder with high precision hard tooth surface with thrust seat transmission device.
- The product design adopts the technical scope prescribed by JB/T9095.1-1999.
- The main transmission parts are made of high quality alloy steel, the gear is made by carburizing, quenching and grinding technology, the accuracy is (GBl0095-88).
- The front section of the hollow output shaft is equipped with a super-sized thrust bearing, which is subject to the working recoil of the screw.
- The machine has the characteristics of small volume, high bearing capacity, smooth transmission, low noise and high efficiency.

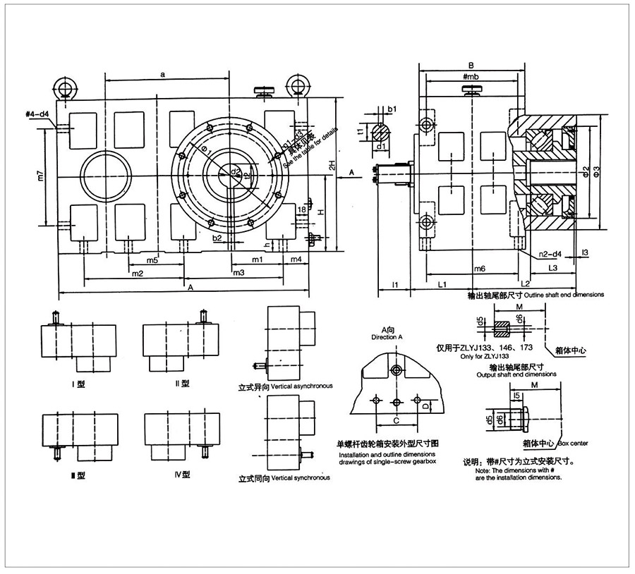
ZLYJ(ZSYJ)Single screw horizontal reducer

ZLYJ(ZSYJ)Single screw vertical reducer
ZLYJ/ZSYJ橡塑機械齒輪箱外形尺寸圖




